Poros Ekskavator Roda 6,5 Ton
1. Suku cadang Isuzu yang dapat dipertukarkan digunakan dalam perakitan redaktur utama, matang dan andal, serta mudah dibeli.
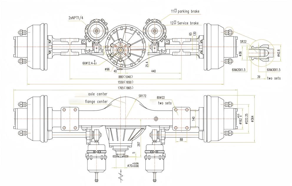
2. Seluruh rumah poros terbuat dari baja cor, memiliki kekakuan yang besar dan baik.
3. Poros transmisi sambungan universal kecepatan mendekati konstan, kecepatan sudut seragam, efisiensi transmisi tinggi.
4. Rem sisi roda CAM pneumatik tipe kuku, aman dan andal.
5. Cocok untuk ekskavator roda 6~7 ton.
Perkenalan:
Poros Ekskavator Roda 6,5 Ton dirancang agar kompatibel dengan ekskavator roda 6-7 ton, yang dilengkapi rumah poros yang dibuat dengan struktur baja cor integral. Roda gigi reduksi utama menggabungkan komponen standar untuk memfasilitasi operasi perawatan dan penggantian. Untuk sistem pengereman, ia menggunakan rem ujung roda tipe sepatu ekspansi yang dioperasikan secara pneumatik, memastikan kinerja yang aman dan andal sesuai dengan persyaratan keselamatan industri.
Parameter teknis utama:
Rasio transmisi total |
6.167 |
Torsi keluaran maksimum |
7000N.m |
Beban peringkat |
4500Kg |
Cara pengereman |
Pneumatik tipe CAM |
Tekanan rem |
0,8Mpa |
Tekanan pengangkatan rem parkir |
0,8Mpa |
Permintaan oli untuk gandar penggerak (standar API) |
GL-5: 85W / 90 Oli Roda Gigi (di atas -12 ° C) GL-5: 80W/90 Oli Roda Gigi (di atas -26 °C) |
Hub roda yang cocok |
6.5-16 |
Ban yang cocok |
7.5-16 |
Pelumasan roda |
2 gemuk pelumas lithium |




