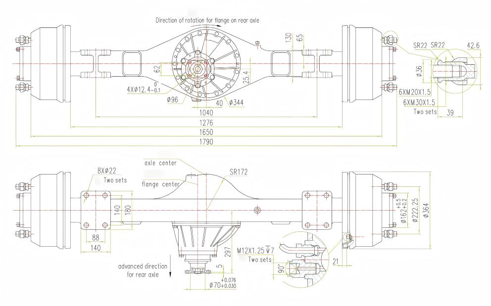
Gandar Penggerak Belakang Ekskavator Roda 6,5 Ton
1. Perakitan redaktur utama menggunakan komponen yang kompatibel dengan Isuzu. Komponen-komponen ini telah teruji dan kuat, serta dapat diperoleh tanpa kesulitan.
2. Rem sisi roda mengadopsi desain tipe sepatu terbuka normal hidrolik, memastikan kinerja pengereman yang aman dan stabil.
3. Rumah poros dibuat dari baja tuang, sehingga memiliki kapasitas menahan beban tinggi dan kekakuan yang sangat baik.
4. Cocok untuk ekskavator tipe roda dengan kapasitas 6 – 7 ton.
Perkenalan:
Dirancang khusus untuk ekskavator beroda 6 - 7 ton. Reduser utama menggunakan suku cadang Isuzu yang dapat dipertukarkan, yang matang, andal, dan mudah dibeli, memastikan pengoperasian peralatan yang terus-menerus dan efisien. Dilengkapi dengan rem sisi roda tipe sepatu terbuka normal hidrolik, ia menawarkan pengereman yang aman dan andal, memungkinkan parkir yang stabil dalam berbagai kondisi kerja. Seluruh rumah poros terbuat dari baja tuang, yang memiliki kapasitas menahan beban tinggi dan kekakuan yang sangat baik, dan dapat dengan mudah menangani lingkungan kerja yang kompleks dan berat. Dari pemilihan komponen hingga desain struktural keseluruhan, ia dipandu oleh pengejaran kualitas yang sangat baik, memberikan jaminan yang kuat untuk operasi teknik Anda. Ini adalah pilihan yang andal untuk peralatan ekskavator beroda.
Parameter teknis utama:
Rasio transmisi total |
6.167 |
Torsi keluaran maksimum |
7000N.m |
Beban peringkat |
4500Kg |
Tekanan oli pengereman |
10Mpa |
Kapasitas kaliper rem tunggal |
5ml |
Permintaan oli untuk gandar penggerak (standar API) |
GL-5; Oli Roda Gigi 85W/90 (di atas -12°C) GL-5; Oli Roda Gigi 80W/90 (di atas -26°C) |
Permintaan oli untuk rem |
Minyak rem sintetis DOT3 atau 719, tidak boleh dicampur! |
Hub roda yang cocok |
6.5-16 |
Ban yang cocok |
7.5-16 |
Pelumasan roda |
2 Gemuk pelumas litium |
Berat |
280 kg |




